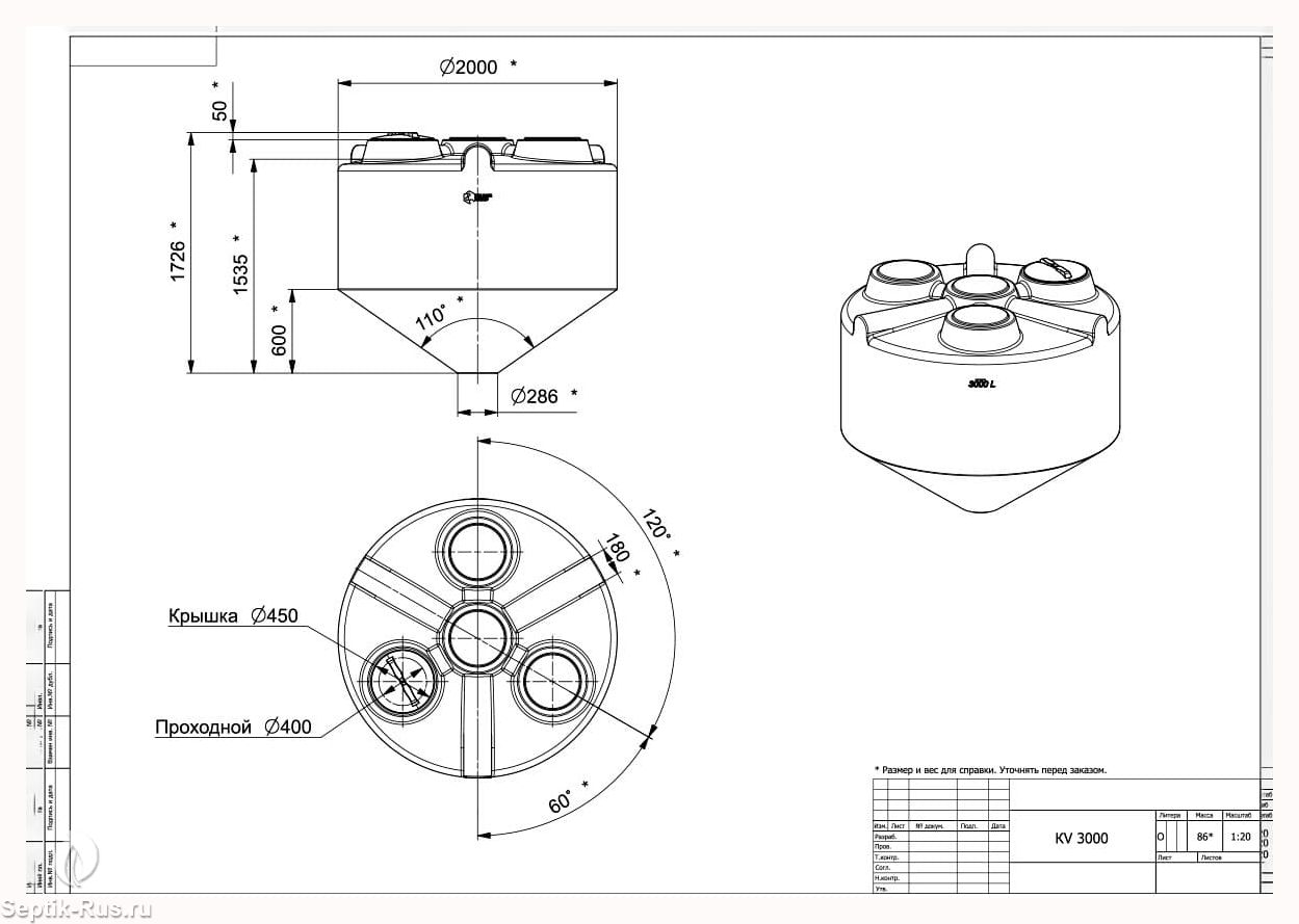
Polimer Group КV 3000 с обрешеткой

Технические характеристики цилиндрической емкость м³
  • Фактический объем камеры: 3 м³
  • ДхВ: 2.1x2.28 м
  • Диаметр горловины: 400 м
  • Материал корпуса: Полиэтилен
  • Вес: 282 кг
  • Температура эксплуатации: -30°C до +60°C

Цена:

169 000 ₽

Цена "под ключ":

Смотрите смету